Fischbach Compact Gebläse Typ: D 730/D 500
Datenblatt Export
Anschluss Ansaugseite | Doppelseitig saugend |
Max. Stromaufnahme [A] | 2.42 |
Max. Volumenstrom [m³/h] | 3520 |
Stromaufnahme | 2.42 A |
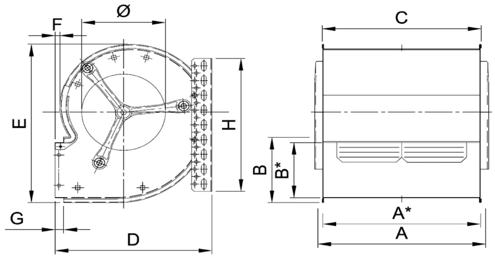
Die Compact-Gebläse (Radialventilatoren) sind doppel-/einseitig saugend, mit Fischbach-Scheibenanker-Motor, 4-polig, 230V/400V/50 Hz/60 Hz, 0 100 % spannungsregelbar, Isolierstoffklasse F (155°C) nach VDE 0530. Motorschutzart IP 65 (elektrischer Teil) nach DIN 40050 mit CE-Zeichen. Gebläseinnenaggregat mit feststehender Motorachse an Gummi-Metall-Verbindungen (Schwingungsdämpfer) im Gehäuse befestigt. Gebläsegehäuse aus Stahlblech verzinkt, auf Wunsch auch Edelstahl-Ausführung oder Stahlblech lackiert. Die Befestigungswinkelschienen sind durch eine große Anzahl Rundlöcher sowie durch Punktschweißmuttern am Gehäuse vielseitig versetzbar. Langlöcher erleichtern die Befestigung am Objektträger.
Die Compact-Gebläse (Radialventilatoren) sind doppel-/einseitig saugend, mit Fischbach-Scheibenanker-Motor, 4-polig, 230V/400V/50 Hz/60 Hz, 0 100 % spannungsregelbar, Isolierstoffklasse F (155°C) nach VDE 0530. Motorschutzart IP 65 (elektrischer Teil) nach DIN 40050 mit CE-Zeichen. Gebläseinnenaggregat mit feststehender Motorachse an Gummi-Metall-Verbindungen (Schwingungsdämpfer) im Gehäuse befestigt. Gebläsegehäuse aus Stahlblech verzinkt, auf Wunsch auch Edelstahl-Ausführung oder Stahlblech lackiert. Die Befestigungswinkelschienen sind durch eine große Anzahl Rundlöcher sowie durch Punktschweißmuttern am Gehäuse vielseitig versetzbar. Langlöcher erleichtern die Befestigung am Objektträger.