Startseite Fischbach Compact Gebläse Typ: D470/E15
1 von 3

Fischbach Compact Gebläse Typ: D470/E15

Artikelnummer: 11207608
Ausprägungscode: FI/D/470/E15
Für Preisinformationen bitte anmelden oder registrieren.
Produkt speichern
Loading locations...
Beschreibung
Spezifikationen

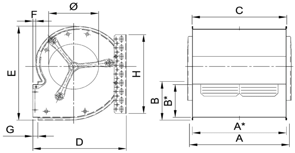
Die Compact-Gebläse (Radialventilatoren) sind doppel-/einseitig saugend, mit Fischbach-Scheibenanker-Motor, 4-polig, 230V/400V/50 Hz/60 Hz, 0…100 % spannungsregelbar, Isolierstoffklasse F (155°C) nach VDE 0530. Motorschutzart IP 65 (elektrischer Teil) nach DIN 40050 mit CE-Zeichen. Gebläseinnenaggregat mit feststehender Motorachse an Gummi-Metall-Verbindungen (Schwingungsdämpfer) im Gehäuse befestigt. Gebläsegehäuse aus Stahlblech verzinkt, auf Wunsch auch Edelstahl-Ausführung oder Stahlblech lackiert. Die Befestigungswinkelschienen sind durch eine große Anzahl Rundlöcher sowie durch Punktschweißmuttern am Gehäuse vielseitig versetzbar. Langlöcher erleichtern die Befestigung am Objektträger.