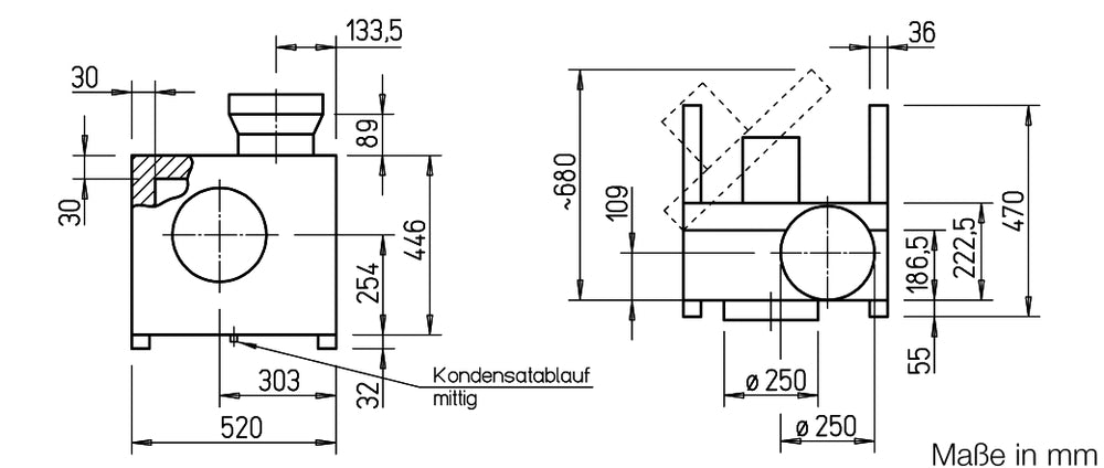
Helios MBD EC 355 A, Megabox mit EC-Motor 3-PH 380-480V 50/60Hz regelbar DN 355
Datenblatt Export
Drehzahl | 2500 min-1 |
Ventilator ausschwenkbar | Ja |
Anschlussdurchmesser [mm] | 355 MMT |
Typ | MBD EC 355 A |
Nennleistung [W] | 1450 |
Nennweite | 355 |
Netzfrequenz | 50 Hz |
Leistungsaufnahme [W] | 1,45 W |
Fördermitteltemperatur [°C] | 120 °C |
Fördermitteltemperatur (max.) [°C] | 120 °C |
Schalldruckpegel in 4 m Gehäuseabstrahlung | 66 dB(A) |
Stromaufnahme (Spannung 230 V/50 Hz) | 2,20 A |
Werkstoff des Gehäuses | Stahlblech |
Motortyp | EC |
Volumenstrom, freiblasend [m³/h] | 5000 m³/h |
Megabox mit EC-Motor 3-PH 380-480V 50/60Hz regelbar DN 355. Geräuschgekapselter EC-Radial-Ventilator mit ausschwenkbarer Motor-Laufradeinheit und außerhalb dem Luftstrom liegenden Motor. Doppelwandiges Gehäuse aus verzinktem Stahlblech, schallisoliert durch Auskleidung mit 30 mm starken Mineralwoll-Dämmstoff-Platten. Saug- und druckseitige Rohranschlussstutzen mit Gummilippendichtung auf Norm-Durchmesser abgestimmt. Ventilatortür für Inspektion und Reinigung voll ausschwenkbar. Incl. stabiler Montageschienen mit vier Schwingungsdämpfern. Serienmäßig mit Kondensatablauf und Tropfschutz bei geöffneter Tür. Hochleistungs-Radial-Laufrad mit rückwärtsgekrümmten Schaufeln aus Aluminium. Vibrationsfreier Lauf durch dynamische Wuchtung nach Gütestufe G 6.3 VDI 2060 und DIN ISO 1940. Antrieb durch energiesparenden, drehzahlsteuerbaren EC-Außenläufermotor in Schutzart IP55 mit höchstem Wirkungsgrad. Wartungs- und funkstörungsfrei, kugelgelagert. Integrierte elektronische Temperaturüberwachung für EC-Motor und Elektronik. Bei Überschreitung der maximal zulässigen Temperaturen erfolgt automatisch Drehzahl- und Leistungsanpassung. Stufenlose Drehzahlsteuerung mit Potentiometer oder stufenlose Drehzahlregelung mit Universal-Regelsystem. Anschluss über serienmäßiger Klemmenkasten (IP55) außen am Motor.
Megabox mit EC-Motor 3-PH 380-480V 50/60Hz regelbar DN 355. Geräuschgekapselter EC-Radial-Ventilator mit ausschwenkbarer Motor-Laufradeinheit und außerhalb dem Luftstrom liegenden Motor. Doppelwandiges Gehäuse aus verzinktem Stahlblech, schallisoliert durch Auskleidung mit 30 mm starken Mineralwoll-Dämmstoff-Platten. Saug- und druckseitige Rohranschlussstutzen mit Gummilippendichtung auf Norm-Durchmesser abgestimmt. Ventilatortür für Inspektion und Reinigung voll ausschwenkbar. Incl. stabiler Montageschienen mit vier Schwingungsdämpfern. Serienmäßig mit Kondensatablauf und Tropfschutz bei geöffneter Tür. Hochleistungs-Radial-Laufrad mit rückwärtsgekrümmten Schaufeln aus Aluminium. Vibrationsfreier Lauf durch dynamische Wuchtung nach Gütestufe G 6.3 VDI 2060 und DIN ISO 1940. Antrieb durch energiesparenden, drehzahlsteuerbaren EC-Außenläufermotor in Schutzart IP55 mit höchstem Wirkungsgrad. Wartungs- und funkstörungsfrei, kugelgelagert. Integrierte elektronische Temperaturüberwachung für EC-Motor und Elektronik. Bei Überschreitung der maximal zulässigen Temperaturen erfolgt automatisch Drehzahl- und Leistungsanpassung. Stufenlose Drehzahlsteuerung mit Potentiometer oder stufenlose Drehzahlregelung mit Universal-Regelsystem. Anschluss über serienmäßiger Klemmenkasten (IP55) außen am Motor.