Helios MBW EC 315, Megabox mit EC-Motor 1-PH 200-277V 50/60Hz regelbar DN 355
Datenblatt Export
Volumenstrom, freiblasend [m³/h] | 2150 m³/h |
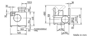
Anschlussdurchmesser [mm] | 355 MMT |
Typ | MBW EC 315 |
Leistungsaufnahme [W] | 0,20 W |
Fördermitteltemperatur [°C] | 100 °C |
Fördermitteltemperatur (max.) [°C] | 100 °C |
Drehzahl | 1500 min-1 |
Ventilator ausschwenkbar | Ja |
Stromaufnahme (Spannung 230 V/50 Hz) | 0,85 A |
Schalldruckpegel in 4 m Gehäuseabstrahlung | 50 dB(A) |
Nennleistung [W] | 200 |
Nennweite | 355 |
Netzfrequenz | 50 Hz |
Werkstoff des Gehäuses | Stahlblech |
Motortyp | EC |
Megabox mit EC-Motor 1-PH 200-277V 50/60Hz regelbar DN 355. Geräuschgekapselter EC-Radial-Ventilator mit ausschwenkbarer Motor-Laufradeinheit und außerhalb dem Luftstrom liegenden Motor. Doppelwandiges Gehäuse aus verzinktem Stahlblech, schallisoliert durch Auskleidung mit 30 mm starken Mineralwoll-Dämmstoff-Platten. Saug- und druckseitige Rohranschlussstutzen mit Gummilippendichtung auf Norm-Durchmesser abgestimmt. Ventilatortür für Inspektion und Reinigung voll ausschwenkbar. Incl. stabiler Montageschienen mit vier Schwingungsdämpfern. Serienmäßig mit Kondensatablauf und Tropfschutz bei geöffneter Tür. Hochleistungs-Radial-Laufrad mit rückwärtsgekrümmten Schaufeln aus Aluminium. Vibrationsfreier Lauf durch dynamische Wuchtung nach Gütestufe G 6.3 VDI 2060 und DIN ISO 1940. Antrieb durch energiesparenden, drehzahlsteuerbaren EC-Außenläufermotor in Schutzart IP55 mit höchstem Wirkungsgrad. Wartungs- und funkstörungsfrei, kugelgelagert. Integrierte elektronische Temperaturüberwachung für EC-Motor und Elektronik. Bei Überschreitung der maximal zulässigen Temperaturen erfolgt automatisch Drehzahl- und Leistungsanpassung. Stufenlose Drehzahlsteuerung mit Potentiometer oder stufenlose Drehzahlregelung mit Universal-Regelsystem. Anschluss über serienmäßiger Klemmenkasten (IP55) außen am Motor.
Megabox mit EC-Motor 1-PH 200-277V 50/60Hz regelbar DN 355. Geräuschgekapselter EC-Radial-Ventilator mit ausschwenkbarer Motor-Laufradeinheit und außerhalb dem Luftstrom liegenden Motor. Doppelwandiges Gehäuse aus verzinktem Stahlblech, schallisoliert durch Auskleidung mit 30 mm starken Mineralwoll-Dämmstoff-Platten. Saug- und druckseitige Rohranschlussstutzen mit Gummilippendichtung auf Norm-Durchmesser abgestimmt. Ventilatortür für Inspektion und Reinigung voll ausschwenkbar. Incl. stabiler Montageschienen mit vier Schwingungsdämpfern. Serienmäßig mit Kondensatablauf und Tropfschutz bei geöffneter Tür. Hochleistungs-Radial-Laufrad mit rückwärtsgekrümmten Schaufeln aus Aluminium. Vibrationsfreier Lauf durch dynamische Wuchtung nach Gütestufe G 6.3 VDI 2060 und DIN ISO 1940. Antrieb durch energiesparenden, drehzahlsteuerbaren EC-Außenläufermotor in Schutzart IP55 mit höchstem Wirkungsgrad. Wartungs- und funkstörungsfrei, kugelgelagert. Integrierte elektronische Temperaturüberwachung für EC-Motor und Elektronik. Bei Überschreitung der maximal zulässigen Temperaturen erfolgt automatisch Drehzahl- und Leistungsanpassung. Stufenlose Drehzahlsteuerung mit Potentiometer oder stufenlose Drehzahlregelung mit Universal-Regelsystem. Anschluss über serienmäßiger Klemmenkasten (IP55) außen am Motor.