Helios RVS 500, Rohr-Verschlussklappe selbsttätig, mit Feder
Datenblatt Export
Klappenart | selbsttätig |
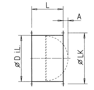
A [mm] | 40 MMT |
Farbe | sonstige |
Ausführung | Be- und Entlüftung |
Typ | RVS 500 |
Einbauort | Rohr |
L | 330 MMT |
Gewicht [kg] | 11.7 |
Ø D i.L. | 504 MMT |
Ø LK | 541 MMT |
Nennweite | 500 |
Werkstoff | Stahlblech |
Zur Verhinderung von Kaltlufteinfall bei stehendem Ventilator. Funktion durch Ventilatorbetrieb. Zylindrisches Stahlblechgehäuse mit beidseitigen Flanschen. Direkt auf die Ventilatorgrundplatte bzw. den Flansch anschraubbar. Lochbild nach DIN 24155. Geräuscharmer Betrieb. Federmechanismus außerhalb Luftstrom, Zuhaltekraft einstellbar.
Zur Verhinderung von Kaltlufteinfall bei stehendem Ventilator. Funktion durch Ventilatorbetrieb. Zylindrisches Stahlblechgehäuse mit beidseitigen Flanschen. Direkt auf die Ventilatorgrundplatte bzw. den Flansch anschraubbar. Lochbild nach DIN 24155. Geräuscharmer Betrieb. Federmechanismus außerhalb Luftstrom, Zuhaltekraft einstellbar.