Maico Axial-Rohrventilator DZR 30/2 B Ex e
Datenblatt Export
Netzfrequenz | 50 Hz |
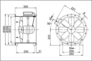
Nennweite | 300 |
Für Ex-Zone Gas | 1, 2 |
Werkstoff des Gehäuses | Stahlblech |
Für Ex-Zone Staub | ohne |
Schutzart | IP54 |
Explosionsschutz-Kategorie für Gas | ATEX Gas-Ex-Schutz, Kat. 2G |
Kanalbreite [mm] | 424 |
Kanalhöhe [mm] | 424 |
Temperaturklasse gemäß Richtlinie 94/9/EG | T1 bis T3 |
Gerätegruppe gemäß Richtlinie 94/9/EG | II |
Nennleistung [W] | 240 |
Besondere Eigenschaften: Axial-Rohrventilator, explosionsgeschützt, Medium Gas. Explosionsschutz und Zulassungen nach ATEX und IECEx. Ex II 2G Ex eb IIB+H2 T3/T4 Gb X / Ex II 2G Ex h IIB+H2 T3/T4 Gb X. Für Einsatztemperaturen von -20°C <= Ta <= +40°C. Für alle Gase und Dämpfe der Ex-Gruppe IIA und IIB und zusätzlich für Wasserstoff qualifiziert. MAICO Ex-Ventilatoren erfüllen die Sicherheitsanforderungen der Europäischen Richtlinie RL 2014/34/EU für Geräte und Schutzsysteme in explosionsgefährdeten Bereichen. Für Zone 1 und 2. Zündschutzarten: e - erhöhte Sicherheit und c - konstruktive Sicherheit. Schutzart IP64. Für Be- oder Entlüftung umschaltbar. Rohrhülse aus verzinktem Stahlblech, beidseitig mit Flansch - Lochbild nach DIN 24155, Zur einfachen und direkten Montage in ein Rohrsystem. Einbau in jeder Lage möglich. Laufrad: Axiallaufrad aus leitfähigem Kunststoff. Wuchtgüte der Motor-Laufradkombination G 6,3 nach Kategorie BV-3 gemäß ISO 14694. Förderrichtung: Die Förderrichtung ist gekennzeichnet, Motor: Robuster Drehstrommotor mit Kugellager, wartungsfrei. Reversierbar. Reversierbetrieb: Der Volumenstrom verringert sich um ca. 35% bei anomaler Förderrichtung. Betriebsart S1 (Dauerbetrieb). Drehzahlregelung mit Transformator TR... möglich. Ausnahme: DZR 35/2 B Ex... Die Temperatur im Ventilatormotor wird durch Kaltleiter überwacht. Die Kaltleiter müssen an ein Auslösesystem (Sicherheitseinrichtung gemäß Richtlinie RL 2014/34/EU) angeschlossen werden, das den Ventilator bei zu hohen Temperaturen dauerhaft vom Netz trennt. Als Auslösesystem wird das MAICO-Kaltleiterauslösesystem MVS 6 oder TMS empfohlen. Elektrischer Anschluss: Klemmenkasten am Ventilator montiert, Ex-geschützt, mit Kabelverschraubung. Sicherheitshinweise: Ventilator bei freier Ansaugung oder Ausblasung nur in Betrieb nehmen, wenn der Berührungsschutz des Flügelrades gemäß DIN EN ISO 13857 gewährleistet ist, z. B. mit Schutzgitter SG.Artikel: DZR 30/2 B Ex e, Fördervolumen: 3410 m3/h, Drehzahl: 2910 1/min, Laufradtyp: axial, Drehzahlsteuerbar: ja, Reversierbarkeit: ja, Spannungsart: Drehstrom, Bemessungsspannung: 400 V, Netzfrequenz: 50 Hz, Nennleistung: 240 W, cosphi: 0,73, INenn: 0,46 A, Imax bei UNenn: 0,89 A, Schutzart: IP 64, Wärmeklasse: F, Einbaulage: senkrecht / waagerecht, Material Gehäuse: Stahlblech, verzinkt, Gewicht: 12,3 kg, Nennweite: 300 mm, Breite: 424 mm, Höhe: 424 mm, Tiefe: 300 mm, A: 313 mm, B: 300 mm, EX-Bezeichnung nach ATEX-Richtlinie: Ex II 2 G, EX-Bezeichnung nach Norm: Ex eb IIB + H2 T3 Gb / Ex h IIB + H2 T3 Gb, Ta-Umgebungstemperatur: -20 °C <= Ta <= +40 °C, IA/IN: 8,5, Zeit tA: 85 sek, Betriebsart: S1, PTC DIN 44082: M 100, EG-Baumusterprüfbescheinigung: TÜV-A 19 ATEX0103 X, IECEx EPS 19.0019X, Temperaturklasse: T3, Wärmeklasse von Isolierstoffen Th. Cl.: 155 (F)
Besondere Eigenschaften: Axial-Rohrventilator, explosionsgeschützt, Medium Gas. Explosionsschutz und Zulassungen nach ATEX und IECEx. Ex II 2G Ex eb IIB+H2 T3/T4 Gb X / Ex II 2G Ex h IIB+H2 T3/T4 Gb X. Für Einsatztemperaturen von -20°C <= Ta <= +40°C. Für alle Gase und Dämpfe der Ex-Gruppe IIA und IIB und zusätzlich für Wasserstoff qualifiziert. MAICO Ex-Ventilatoren erfüllen die Sicherheitsanforderungen der Europäischen Richtlinie RL 2014/34/EU für Geräte und Schutzsysteme in explosionsgefährdeten Bereichen. Für Zone 1 und 2. Zündschutzarten: e - erhöhte Sicherheit und c - konstruktive Sicherheit. Schutzart IP64. Für Be- oder Entlüftung umschaltbar. Rohrhülse aus verzinktem Stahlblech, beidseitig mit Flansch - Lochbild nach DIN 24155, Zur einfachen und direkten Montage in ein Rohrsystem. Einbau in jeder Lage möglich. Laufrad: Axiallaufrad aus leitfähigem Kunststoff. Wuchtgüte der Motor-Laufradkombination G 6,3 nach Kategorie BV-3 gemäß ISO 14694. Förderrichtung: Die Förderrichtung ist gekennzeichnet, Motor: Robuster Drehstrommotor mit Kugellager, wartungsfrei. Reversierbar. Reversierbetrieb: Der Volumenstrom verringert sich um ca. 35% bei anomaler Förderrichtung. Betriebsart S1 (Dauerbetrieb). Drehzahlregelung mit Transformator TR... möglich. Ausnahme: DZR 35/2 B Ex... Die Temperatur im Ventilatormotor wird durch Kaltleiter überwacht. Die Kaltleiter müssen an ein Auslösesystem (Sicherheitseinrichtung gemäß Richtlinie RL 2014/34/EU) angeschlossen werden, das den Ventilator bei zu hohen Temperaturen dauerhaft vom Netz trennt. Als Auslösesystem wird das MAICO-Kaltleiterauslösesystem MVS 6 oder TMS empfohlen. Elektrischer Anschluss: Klemmenkasten am Ventilator montiert, Ex-geschützt, mit Kabelverschraubung. Sicherheitshinweise: Ventilator bei freier Ansaugung oder Ausblasung nur in Betrieb nehmen, wenn der Berührungsschutz des Flügelrades gemäß DIN EN ISO 13857 gewährleistet ist, z. B. mit Schutzgitter SG.Artikel: DZR 30/2 B Ex e, Fördervolumen: 3410 m3/h, Drehzahl: 2910 1/min, Laufradtyp: axial, Drehzahlsteuerbar: ja, Reversierbarkeit: ja, Spannungsart: Drehstrom, Bemessungsspannung: 400 V, Netzfrequenz: 50 Hz, Nennleistung: 240 W, cosphi: 0,73, INenn: 0,46 A, Imax bei UNenn: 0,89 A, Schutzart: IP 64, Wärmeklasse: F, Einbaulage: senkrecht / waagerecht, Material Gehäuse: Stahlblech, verzinkt, Gewicht: 12,3 kg, Nennweite: 300 mm, Breite: 424 mm, Höhe: 424 mm, Tiefe: 300 mm, A: 313 mm, B: 300 mm, EX-Bezeichnung nach ATEX-Richtlinie: Ex II 2 G, EX-Bezeichnung nach Norm: Ex eb IIB + H2 T3 Gb / Ex h IIB + H2 T3 Gb, Ta-Umgebungstemperatur: -20 °C <= Ta <= +40 °C, IA/IN: 8,5, Zeit tA: 85 sek, Betriebsart: S1, PTC DIN 44082: M 100, EG-Baumusterprüfbescheinigung: TÜV-A 19 ATEX0103 X, IECEx EPS 19.0019X, Temperaturklasse: T3, Wärmeklasse von Isolierstoffen Th. Cl.: 155 (F)