Maico Axial-Rohrventilator DZR 35/4 B
Datenblatt Export
Werkstoff des Gehäuses | Stahlblech |
Ventilator ausschwenkbar | Nein |
Fördermitteltemperatur [°C] | 60 °C |
Nennleistung [W] | 120 |
Nennweite | 350 |
Netzfrequenz | 50 Hz |
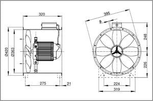
Rohrhülse aus verzinktem Stahlblech, beidseitig mit Flansch. 8-blättrige Flügelräder aus glasfaserverstärktem Polyamid. Dynamisch gewuchtet in 2 Ebenen, gemäß Gütestufe 6.3, DIN ISO 1940, Teil 1. Flanschbohrungen gemäß DIN EN 12220:1998. DZR 56/6 B und DZR 56/4 B: Flanschbohrungen gemäß DIN EN 12220:1998. Zur Vermeidung von Schwingungsübertragungen auf das Rohrsystem: Elastische Verbindungsstutzen, Füße und Schwingungsdämpfer verwenden. Hohe Schutzart IP 55. Ausnahme EZR/DZR... D IP 54. Einbau in jeder Lage möglich. Motor: Asynchronmotor, drehzahlsteuerbar. Ausnahme: Typ DZR 40/2 B. Nicht zur Förderung wasserdampfgesättigter Luft geeignet. Förderrichtung ist auf dem Gerät mit Drehrichtungs- und Förderrichtungspfeil gekennzeichnet. Reversierbetrieb: Der Volumenstrom verringert sich um ca. 35 % bei anomaler Förderrichtung. Drehstrommotor: Typenreihe DZR. Bemessungsspannung 400 V, 50 Hz. Thermischer Überlastungsschutz serienmäßig. Ausnahme: Bei DZR 25/4 D und polumschaltbaren Axial-Rohrventilatoren auf Anfrage erhältlich. Die Anschlüsse sind potenzialfrei auf Klemmen geführt und müssen an einen Motorvollschutzschalter z.B. MV 25 oder den Steuerstromkreis eines Schützes angeschlossen werden. Polumschaltbare Ventilatoren: Überlastungsschutz mit bauseitig zu beschaffendem Motorvollschutzschalter gewährleisten. Elektrischer Anschluss: Außenliegender Klemmenkasten mit Kabeltüllen. Sicherheitshinweise: Der Ventilator darf nur in Betrieb genommen werden, wenn der Berührungsschutz des Flügelrades gemäß DIN EN ISO 13857 gewährleistet ist.Artikel: DZR 35/4 B, Fördervolumen: 2800 m3/h, Drehzahl: 1425 1/min, Laufradtyp: axial, Drehzahlsteuerbar: ja, Reversierbarkeit: ja, Spannungsart: Drehstrom, Bemessungsspannung: 400 V, Netzfrequenz: 50 Hz, Nennleistung: 120 W, INenn: 0,3 A, IMax: 0,38 A, Schutzart: IP 55, Wärmeklasse: B, Polumschaltbar: nein, Netzzuleitung: 7 / 1,5 mm2, Einbaulage: waagerecht / senkrecht, Material: Stahlblech, verzinkt, Gewicht: 9,4 kg, Nennweite: 350 mm, Breite: 420 mm, Höhe: 474 mm, Tiefe: 320 mm, A: 363 mm, B: 320 mm, Fördermitteltemperatur bei Nennstrom: -20 °C bis 60 °C, Fördermitteltemperatur bei IMax: -20 °C bis 60 °C, Gleichstrommotor: false
Rohrhülse aus verzinktem Stahlblech, beidseitig mit Flansch. 8-blättrige Flügelräder aus glasfaserverstärktem Polyamid. Dynamisch gewuchtet in 2 Ebenen, gemäß Gütestufe 6.3, DIN ISO 1940, Teil 1. Flanschbohrungen gemäß DIN EN 12220:1998. DZR 56/6 B und DZR 56/4 B: Flanschbohrungen gemäß DIN EN 12220:1998. Zur Vermeidung von Schwingungsübertragungen auf das Rohrsystem: Elastische Verbindungsstutzen, Füße und Schwingungsdämpfer verwenden. Hohe Schutzart IP 55. Ausnahme EZR/DZR... D IP 54. Einbau in jeder Lage möglich. Motor: Asynchronmotor, drehzahlsteuerbar. Ausnahme: Typ DZR 40/2 B. Nicht zur Förderung wasserdampfgesättigter Luft geeignet. Förderrichtung ist auf dem Gerät mit Drehrichtungs- und Förderrichtungspfeil gekennzeichnet. Reversierbetrieb: Der Volumenstrom verringert sich um ca. 35 % bei anomaler Förderrichtung. Drehstrommotor: Typenreihe DZR. Bemessungsspannung 400 V, 50 Hz. Thermischer Überlastungsschutz serienmäßig. Ausnahme: Bei DZR 25/4 D und polumschaltbaren Axial-Rohrventilatoren auf Anfrage erhältlich. Die Anschlüsse sind potenzialfrei auf Klemmen geführt und müssen an einen Motorvollschutzschalter z.B. MV 25 oder den Steuerstromkreis eines Schützes angeschlossen werden. Polumschaltbare Ventilatoren: Überlastungsschutz mit bauseitig zu beschaffendem Motorvollschutzschalter gewährleisten. Elektrischer Anschluss: Außenliegender Klemmenkasten mit Kabeltüllen. Sicherheitshinweise: Der Ventilator darf nur in Betrieb genommen werden, wenn der Berührungsschutz des Flügelrades gemäß DIN EN ISO 13857 gewährleistet ist.Artikel: DZR 35/4 B, Fördervolumen: 2800 m3/h, Drehzahl: 1425 1/min, Laufradtyp: axial, Drehzahlsteuerbar: ja, Reversierbarkeit: ja, Spannungsart: Drehstrom, Bemessungsspannung: 400 V, Netzfrequenz: 50 Hz, Nennleistung: 120 W, INenn: 0,3 A, IMax: 0,38 A, Schutzart: IP 55, Wärmeklasse: B, Polumschaltbar: nein, Netzzuleitung: 7 / 1,5 mm2, Einbaulage: waagerecht / senkrecht, Material: Stahlblech, verzinkt, Gewicht: 9,4 kg, Nennweite: 350 mm, Breite: 420 mm, Höhe: 474 mm, Tiefe: 320 mm, A: 363 mm, B: 320 mm, Fördermitteltemperatur bei Nennstrom: -20 °C bis 60 °C, Fördermitteltemperatur bei IMax: -20 °C bis 60 °C, Gleichstrommotor: false