Maico Axial-Rohrventilator EZR 30/6 B
Datenblatt Export
Ventilator ausschwenkbar | Nein |
Fördermitteltemperatur [°C] | 60 °C |
Nennleistung [W] | 59 |
Nennweite | 300 |
Netzfrequenz | 50 Hz |
Werkstoff des Gehäuses | Stahlblech |
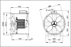
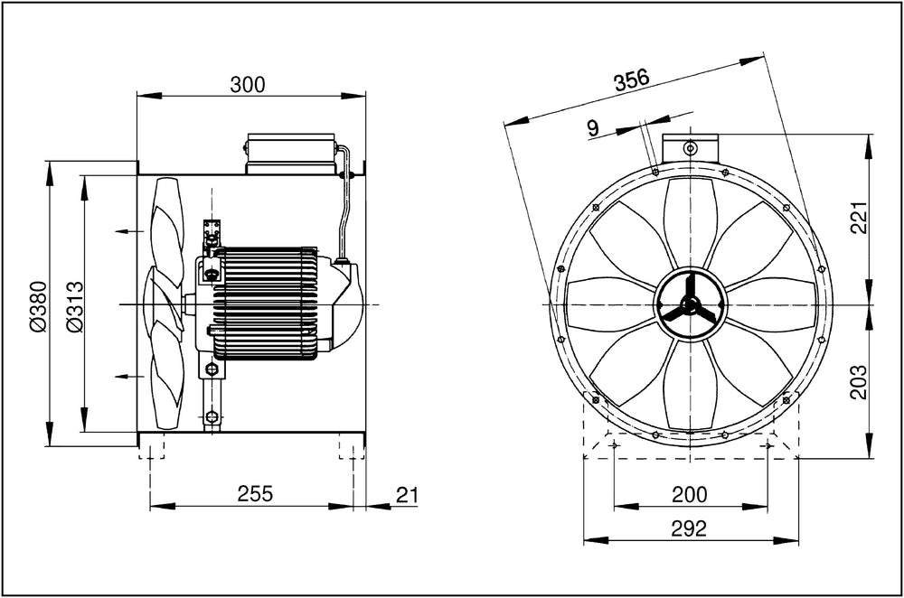
Rohrhülse aus verzinktem Stahlblech, beidseitig mit Flansch. 8-blättrige Flügelräder aus glasfaserverstärktem Polyamid. Dynamisch gewuchtet in 2 Ebenen, gemäß Gütestufe 6.3, DIN ISO 1940, Teil 1. Flanschbohrungen gemäß DIN EN 12220:1998. DZR 56/6 B und DZR 56/4 B: Flanschbohrungen gemäß DIN EN 12220:1998. Zur Vermeidung von Schwingungsübertragungen auf das Rohrsystem: Elastische Verbindungsstutzen, Füße und Schwingungsdämpfer verwenden. Hohe Schutzart IP 55. Ausnahme EZR/DZR... D IP 54. Einbau in jeder Lage möglich. Motor: Asynchronmotor, drehzahlsteuerbar. Ausnahme: Typ DZR 40/2 B. Nicht zur Förderung wasserdampfgesättigter Luft geeignet. Förderrichtung ist auf dem Gerät mit Drehrichtungs- und Förderrichtungspfeil gekennzeichnet. Reversierbetrieb: Der Volumenstrom verringert sich um ca. 35 % bei anomaler Förderrichtung. Wechselstrommotor: Typenreihe EZR. Bemessungsspannung 230 V, 50 Hz. Kondensatormotor mit Betriebskondensator anschlussfertig im Klemmenkasten. Thermischer Überlastungsschutz serienmäßig. Die Anschlüsse sind potenzialfrei auf Klemmen geführt und müssen an einen Motorvollschutzschalter z.B. MVE 10 (nicht geeignet für EZR 25/4 D, EZR 30/6 B und EZR 35/6 B) oder den Steuerstromkreis eines Schützes angeschlossen werden. Elektrischer Anschluss: Außenliegender Klemmenkasten mit Kabeltüllen. Sicherheitshinweise: Der Ventilator darf nur in Betrieb genommen werden, wenn der Berührungsschutz des Flügelrades gemäß DIN EN ISO 13857 gewährleistet ist.Artikel: EZR 30/6 B, Fördervolumen: 1200 m3/h, Drehzahl: 930 1/min, Laufradtyp: axial, Drehzahlsteuerbar: ja, Reversierbarkeit: ja, Spannungsart: Wechselstrom, Bemessungsspannung: 230 V, Netzfrequenz: 50 Hz, Nennleistung: 59 W, INenn: 0,3 A, IMax: 0,32 A, Schutzart: IP 55, Wärmeklasse: B, Polumschaltbar: nein, Einbaulage: waagerecht / senkrecht, Material: Stahlblech, verzinkt, Gewicht: 8,4 kg, Nennweite: 300 mm, Breite: 380 mm, Höhe: 424 mm, Tiefe: 300 mm, A: 313 mm, B: 300 mm, Fördermitteltemperatur bei Nennstrom: 60 °C, Fördermitteltemperatur bei IMax: -20 °C bis 60 °C, Gleichstrommotor: false
Rohrhülse aus verzinktem Stahlblech, beidseitig mit Flansch. 8-blättrige Flügelräder aus glasfaserverstärktem Polyamid. Dynamisch gewuchtet in 2 Ebenen, gemäß Gütestufe 6.3, DIN ISO 1940, Teil 1. Flanschbohrungen gemäß DIN EN 12220:1998. DZR 56/6 B und DZR 56/4 B: Flanschbohrungen gemäß DIN EN 12220:1998. Zur Vermeidung von Schwingungsübertragungen auf das Rohrsystem: Elastische Verbindungsstutzen, Füße und Schwingungsdämpfer verwenden. Hohe Schutzart IP 55. Ausnahme EZR/DZR... D IP 54. Einbau in jeder Lage möglich. Motor: Asynchronmotor, drehzahlsteuerbar. Ausnahme: Typ DZR 40/2 B. Nicht zur Förderung wasserdampfgesättigter Luft geeignet. Förderrichtung ist auf dem Gerät mit Drehrichtungs- und Förderrichtungspfeil gekennzeichnet. Reversierbetrieb: Der Volumenstrom verringert sich um ca. 35 % bei anomaler Förderrichtung. Wechselstrommotor: Typenreihe EZR. Bemessungsspannung 230 V, 50 Hz. Kondensatormotor mit Betriebskondensator anschlussfertig im Klemmenkasten. Thermischer Überlastungsschutz serienmäßig. Die Anschlüsse sind potenzialfrei auf Klemmen geführt und müssen an einen Motorvollschutzschalter z.B. MVE 10 (nicht geeignet für EZR 25/4 D, EZR 30/6 B und EZR 35/6 B) oder den Steuerstromkreis eines Schützes angeschlossen werden. Elektrischer Anschluss: Außenliegender Klemmenkasten mit Kabeltüllen. Sicherheitshinweise: Der Ventilator darf nur in Betrieb genommen werden, wenn der Berührungsschutz des Flügelrades gemäß DIN EN ISO 13857 gewährleistet ist.Artikel: EZR 30/6 B, Fördervolumen: 1200 m3/h, Drehzahl: 930 1/min, Laufradtyp: axial, Drehzahlsteuerbar: ja, Reversierbarkeit: ja, Spannungsart: Wechselstrom, Bemessungsspannung: 230 V, Netzfrequenz: 50 Hz, Nennleistung: 59 W, INenn: 0,3 A, IMax: 0,32 A, Schutzart: IP 55, Wärmeklasse: B, Polumschaltbar: nein, Einbaulage: waagerecht / senkrecht, Material: Stahlblech, verzinkt, Gewicht: 8,4 kg, Nennweite: 300 mm, Breite: 380 mm, Höhe: 424 mm, Tiefe: 300 mm, A: 313 mm, B: 300 mm, Fördermitteltemperatur bei Nennstrom: 60 °C, Fördermitteltemperatur bei IMax: -20 °C bis 60 °C, Gleichstrommotor: false