Maico Axial-Wandventilator DZQ 25/4 D
Datenblatt Export
Schutzart | IP54 |
Ausführung | Be- und Entlüftung |
Typ | DZQ 25/4 D |
Gewicht [kg] | 4.3 |
Fördermitteltemperatur [°C] | 50 °C |
Drehzahl | 1,425.000000 1/min |
Stromaufnahme (max.) | 0.13 A |
Polumschaltbar | nein |
Nennstrom [A] | 0.13 A |
Netzfrequenz | 50 Hz |
Nennweite | 250 |
Nennleistung [W] | 45 |
Temperatur (max.) [°C] | 40 °C |
Wärmeklasse | B |
Spannung/Frequenz | 400/50 V/Hz |
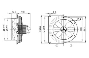
Schutzgitter auf der Saugseite, gelb chromatiert, Berührungsschutz gemäß DIN EN ISO 13857. 8-blättrige Flügelräder aus glasfaserverstärktem Polyamid. Dynamisch gewuchtet in 2 Ebenen, gemäß Gütestufe 6.3, DIN ISO 1940, Teil 1. Einbau in jeder Lage möglich. Förderrichtung: Nachfolgende Abbildung zeigt die Förderrichtung: Förderrichtung A: Über den Motor saugend, Standard. Förderrichtung B: Über den Motor blasend, auf Anfrage. Drehrichtung, Reversierbetrieb: Der Volumenstrom verringert sich um ca. 35 % bei anormaler Förderrichtung. Motor: Asynchronmotor. Drehzahlsteuerbar. Ausnahme: Typ EZQ 45/6 B, EZS 45/6 B, DZQ 40/2 B und DZS 40/2 B. Reversierbar. Ausnahme: Ventilatoren mit Spaltpolmotor (...-E). Nicht zur Förderung wasserdampfgesättigter Luft geeignet. Drehstrommotor: Typenreihen DZQ und DZS. Bemessungsspannung 400 V, 50 Hz. Schutzart IP 55. Ausnahme DZQ/DZS... D IP 54. Thermischer Überlastungsschutz serienmäßig. Ausnahme: Bei DZQ/DZS 25/4 D und polumschaltbaren Axial-Wandventilatoren auf Anfrage erhältlich. Die Anschlüsse sind potenzialfrei auf Klemmen geführt und müssen an einen Motorvollschutzschalter z.B. MV 25 oder den Steuerstromkreis eines Schützes angeschlossen werden. Polumschaltbare Ventilatoren: Überlastungsschutz mit bauseitig zu beschaffendem Motorvollschutzschalter gewährleisten. Polumschaltbare Motoren mit den Drehzahlverhältnissen 8/4 oder 4/2 sind im Dahlanderprinzip geschaltet. Elektrischer Anschluss: An Klemmleiste im Abschlussdeckel des Motors. Sicherheitshinweise: Der Ventilator darf nur in Betrieb genommen werden, wenn der Berührungsschutz des Laufrades gemäß DIN EN ISO 13857 gewährleistet ist.Artikel: DZQ 25/4 D, Ausführung: Quadratische Wandplatte, Fördervolumen: 1000 m3/h, Drehzahl: 1425 1/min, Laufradtyp: axial, Drehzahlsteuerbar: ja, Reversierbarkeit: ja, Spannungsart: Drehstrom, Bemessungsspannung: 400 V, Netzfrequenz: 50 Hz, Nennleistung: 45 W, INenn: 0,13 A, IMax: 0,13 A, Schutzart: IP 54, Wärmeklasse: B, Netzzuleitung: 5 / 1,5 mm2, Einbauort: Wand / Decke, Einbauart: Aufputz, Einbaulage: waagerecht / senkrecht, Material: Stahlblech, verzinkt, Gewicht: 4,3 kg, Nennweite: 250 mm, Breite: 400 mm, Höhe: 400 mm, Tiefe: 176 mm, Fördermitteltemperatur bei Nennstrom: -20 °C bis 50 °C, Fördermitteltemperatur bei IMax: -20 °C bis 40 °C, Verschlussklappe: ohne
Schutzgitter auf der Saugseite, gelb chromatiert, Berührungsschutz gemäß DIN EN ISO 13857. 8-blättrige Flügelräder aus glasfaserverstärktem Polyamid. Dynamisch gewuchtet in 2 Ebenen, gemäß Gütestufe 6.3, DIN ISO 1940, Teil 1. Einbau in jeder Lage möglich. Förderrichtung: Nachfolgende Abbildung zeigt die Förderrichtung: Förderrichtung A: Über den Motor saugend, Standard. Förderrichtung B: Über den Motor blasend, auf Anfrage. Drehrichtung, Reversierbetrieb: Der Volumenstrom verringert sich um ca. 35 % bei anormaler Förderrichtung. Motor: Asynchronmotor. Drehzahlsteuerbar. Ausnahme: Typ EZQ 45/6 B, EZS 45/6 B, DZQ 40/2 B und DZS 40/2 B. Reversierbar. Ausnahme: Ventilatoren mit Spaltpolmotor (...-E). Nicht zur Förderung wasserdampfgesättigter Luft geeignet. Drehstrommotor: Typenreihen DZQ und DZS. Bemessungsspannung 400 V, 50 Hz. Schutzart IP 55. Ausnahme DZQ/DZS... D IP 54. Thermischer Überlastungsschutz serienmäßig. Ausnahme: Bei DZQ/DZS 25/4 D und polumschaltbaren Axial-Wandventilatoren auf Anfrage erhältlich. Die Anschlüsse sind potenzialfrei auf Klemmen geführt und müssen an einen Motorvollschutzschalter z.B. MV 25 oder den Steuerstromkreis eines Schützes angeschlossen werden. Polumschaltbare Ventilatoren: Überlastungsschutz mit bauseitig zu beschaffendem Motorvollschutzschalter gewährleisten. Polumschaltbare Motoren mit den Drehzahlverhältnissen 8/4 oder 4/2 sind im Dahlanderprinzip geschaltet. Elektrischer Anschluss: An Klemmleiste im Abschlussdeckel des Motors. Sicherheitshinweise: Der Ventilator darf nur in Betrieb genommen werden, wenn der Berührungsschutz des Laufrades gemäß DIN EN ISO 13857 gewährleistet ist.Artikel: DZQ 25/4 D, Ausführung: Quadratische Wandplatte, Fördervolumen: 1000 m3/h, Drehzahl: 1425 1/min, Laufradtyp: axial, Drehzahlsteuerbar: ja, Reversierbarkeit: ja, Spannungsart: Drehstrom, Bemessungsspannung: 400 V, Netzfrequenz: 50 Hz, Nennleistung: 45 W, INenn: 0,13 A, IMax: 0,13 A, Schutzart: IP 54, Wärmeklasse: B, Netzzuleitung: 5 / 1,5 mm2, Einbauort: Wand / Decke, Einbauart: Aufputz, Einbaulage: waagerecht / senkrecht, Material: Stahlblech, verzinkt, Gewicht: 4,3 kg, Nennweite: 250 mm, Breite: 400 mm, Höhe: 400 mm, Tiefe: 176 mm, Fördermitteltemperatur bei Nennstrom: -20 °C bis 50 °C, Fördermitteltemperatur bei IMax: -20 °C bis 40 °C, Verschlussklappe: ohne