Maico Axial-Wandventilator DZQ 56/6 B
Datenblatt Export
Schutzart | IP55 |
Ausführung | Be- und Entlüftung |
Typ | DZQ 56/6 B |
Drehzahl | 964.000000 1/min |
Gewicht [kg] | 20.5 |
Fördermitteltemperatur [°C] | 60 °C |
Nennleistung [W] | 480 |
Nennstrom [A] | 1.00 A |
Temperatur (max.) [°C] | 60 °C |
Stromaufnahme (max.) | 1.2 A |
Spannung/Frequenz | 400/50 V/Hz |
Polumschaltbar | nein |
Netzfrequenz | 50 Hz |
Nennweite | 560 |
Wärmeklasse | F |
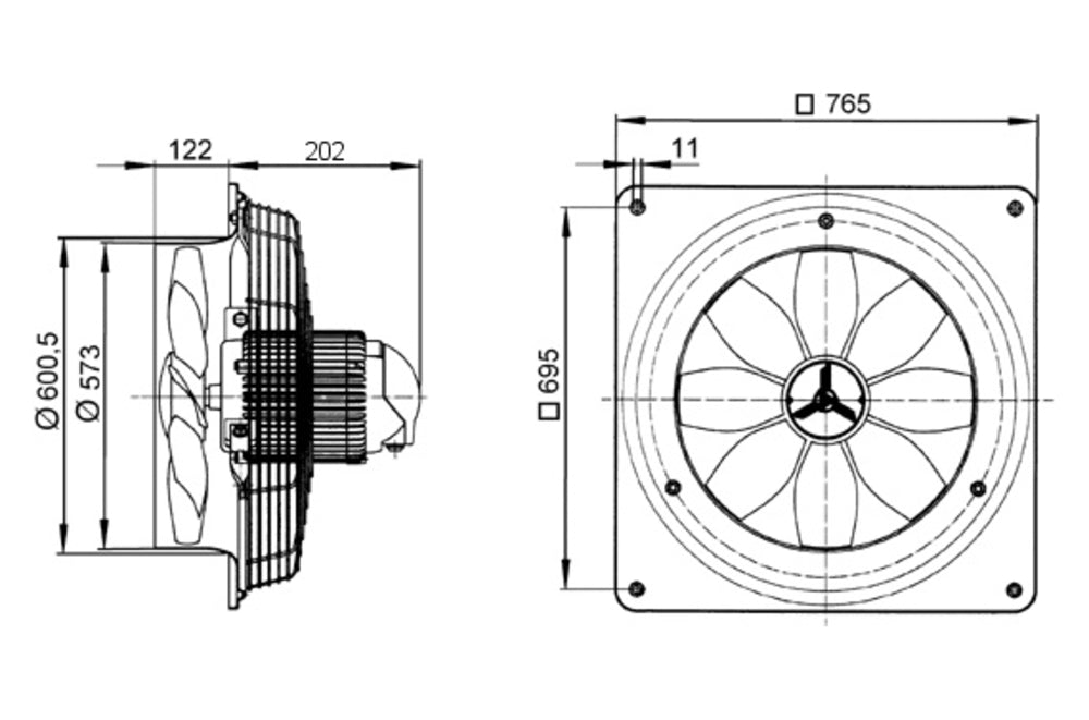
Schutzgitter auf der Saugseite, gelb chromatiert, Berührungsschutz gemäß DIN EN ISO 13857. 8-blättrige Flügelräder aus glasfaserverstärktem Polyamid. Dynamisch gewuchtet in 2 Ebenen, gemäß Gütestufe 6.3, DIN ISO 1940, Teil 1. Einbau in jeder Lage möglich. Förderrichtung: Nachfolgende Abbildung zeigt die Förderrichtung: Förderrichtung A: Über den Motor saugend, Standard. Förderrichtung B: Über den Motor blasend, auf Anfrage. Drehrichtung, Reversierbetrieb: Der Volumenstrom verringert sich um ca. 35 % bei anormaler Förderrichtung. Motor: Asynchronmotor. Drehzahlsteuerbar. Ausnahme: Typ EZQ 45/6 B, EZS 45/6 B, DZQ 40/2 B und DZS 40/2 B. Reversierbar. Ausnahme: Ventilatoren mit Spaltpolmotor (...-E). Nicht zur Förderung wasserdampfgesättigter Luft geeignet. Drehstrommotor: Typenreihen DZQ und DZS. Bemessungsspannung 400 V, 50 Hz. Schutzart IP 55. Ausnahme DZQ/DZS... D IP 54. Thermischer Überlastungsschutz serienmäßig. Ausnahme: Bei DZQ/DZS 25/4 D und polumschaltbaren Axial-Wandventilatoren auf Anfrage erhältlich. Die Anschlüsse sind potenzialfrei auf Klemmen geführt und müssen an einen Motorvollschutzschalter z.B. MV 25 oder den Steuerstromkreis eines Schützes angeschlossen werden. Polumschaltbare Ventilatoren: Überlastungsschutz mit bauseitig zu beschaffendem Motorvollschutzschalter gewährleisten. Polumschaltbare Motoren mit den Drehzahlverhältnissen 8/4 oder 4/2 sind im Dahlanderprinzip geschaltet. Elektrischer Anschluss: An Klemmleiste im Abschlussdeckel des Motors. Sicherheitshinweise: Der Ventilator darf nur in Betrieb genommen werden, wenn der Berührungsschutz des Laufrades gemäß DIN EN ISO 13857 gewährleistet ist.Artikel: DZQ 56/6 B, Ausführung: Quadratische Wandplatte, Fördervolumen: 8530 m3/h, FördervolumenNenn: 5720 m3/h / im opt. Wirkungsgrad, Druck pfs, Nenn: 91 Pa - im opt. Wirkungsgrad, Drehzahl nNenn: 950 1/min - im opt. Wirkungsgrad, Drehzahl: 964 1/min, Laufradtyp: axial, Drehzahlsteuerbar: ja, Reversierbarkeit: ja, Spannungsart: Drehstrom, Bemessungsspannung: 400 V, Netzfrequenz: 50 Hz, Nennleistung: 455 W / im opt. Wirkungsgrad, INenn: 1,05 A / im opt. Wirkungsgrad, IMax: 1,2 A, Schutzart: IP 55, Wärmeklasse: F, Netzzuleitung: 7 / 1,5 mm2, Einbauort: Wand / Decke, Einbauart: Aufputz, Einbaulage: waagerecht / senkrecht, Material: Stahlblech, verzinkt, Gewicht: 20,5 kg, Nennweite: 560 mm, Breite: 700 mm, Höhe: 700 mm, Tiefe: 324 mm, A: 600,5 mm, B: 573 mm, Fördermitteltemperatur bei Nennstrom: -20 °C bis 60 °C, Fördermitteltemperatur bei IMax: -20 °C bis 60 °C, Gesamteffizienz e: 31,8 %, Messkategorie: A, Effizienzkategorie: statisch, Effizienzgrad N: 40,3, VSD erforderlich: nein, Herstellungsjahr: siehe Typenschild, Herstellername / Amtliche Registriernummer / Niederlassungsort des Herstellers: Maico Elektroapparate-Fabrik GmbH / Registergericht Freiburg, HRB 601233 / Villingen-Schwenningen, PBEP / FördervolumenBEP / Pfs, BEP: 0,455 kW / 5720 m3/h / 91 Pa, nBEP: 950 1/min, spezifisches Verhältnis: ca. 1, Informationen zur Zerlegung und Entsorgung: siehe Montageanleitung, Informationen zu Einbau, Betrieb und Instandhaltung: siehe Montageanleitung, Verwendete Gegenstände bei der Effizienz-Messung, die nicht durch die Messkategorie beschrieben sind: -, SchallleistungspegelLWA7: 74 dB(A), Verschlussklappe: ohne
Schutzgitter auf der Saugseite, gelb chromatiert, Berührungsschutz gemäß DIN EN ISO 13857. 8-blättrige Flügelräder aus glasfaserverstärktem Polyamid. Dynamisch gewuchtet in 2 Ebenen, gemäß Gütestufe 6.3, DIN ISO 1940, Teil 1. Einbau in jeder Lage möglich. Förderrichtung: Nachfolgende Abbildung zeigt die Förderrichtung: Förderrichtung A: Über den Motor saugend, Standard. Förderrichtung B: Über den Motor blasend, auf Anfrage. Drehrichtung, Reversierbetrieb: Der Volumenstrom verringert sich um ca. 35 % bei anormaler Förderrichtung. Motor: Asynchronmotor. Drehzahlsteuerbar. Ausnahme: Typ EZQ 45/6 B, EZS 45/6 B, DZQ 40/2 B und DZS 40/2 B. Reversierbar. Ausnahme: Ventilatoren mit Spaltpolmotor (...-E). Nicht zur Förderung wasserdampfgesättigter Luft geeignet. Drehstrommotor: Typenreihen DZQ und DZS. Bemessungsspannung 400 V, 50 Hz. Schutzart IP 55. Ausnahme DZQ/DZS... D IP 54. Thermischer Überlastungsschutz serienmäßig. Ausnahme: Bei DZQ/DZS 25/4 D und polumschaltbaren Axial-Wandventilatoren auf Anfrage erhältlich. Die Anschlüsse sind potenzialfrei auf Klemmen geführt und müssen an einen Motorvollschutzschalter z.B. MV 25 oder den Steuerstromkreis eines Schützes angeschlossen werden. Polumschaltbare Ventilatoren: Überlastungsschutz mit bauseitig zu beschaffendem Motorvollschutzschalter gewährleisten. Polumschaltbare Motoren mit den Drehzahlverhältnissen 8/4 oder 4/2 sind im Dahlanderprinzip geschaltet. Elektrischer Anschluss: An Klemmleiste im Abschlussdeckel des Motors. Sicherheitshinweise: Der Ventilator darf nur in Betrieb genommen werden, wenn der Berührungsschutz des Laufrades gemäß DIN EN ISO 13857 gewährleistet ist.Artikel: DZQ 56/6 B, Ausführung: Quadratische Wandplatte, Fördervolumen: 8530 m3/h, FördervolumenNenn: 5720 m3/h / im opt. Wirkungsgrad, Druck pfs, Nenn: 91 Pa - im opt. Wirkungsgrad, Drehzahl nNenn: 950 1/min - im opt. Wirkungsgrad, Drehzahl: 964 1/min, Laufradtyp: axial, Drehzahlsteuerbar: ja, Reversierbarkeit: ja, Spannungsart: Drehstrom, Bemessungsspannung: 400 V, Netzfrequenz: 50 Hz, Nennleistung: 455 W / im opt. Wirkungsgrad, INenn: 1,05 A / im opt. Wirkungsgrad, IMax: 1,2 A, Schutzart: IP 55, Wärmeklasse: F, Netzzuleitung: 7 / 1,5 mm2, Einbauort: Wand / Decke, Einbauart: Aufputz, Einbaulage: waagerecht / senkrecht, Material: Stahlblech, verzinkt, Gewicht: 20,5 kg, Nennweite: 560 mm, Breite: 700 mm, Höhe: 700 mm, Tiefe: 324 mm, A: 600,5 mm, B: 573 mm, Fördermitteltemperatur bei Nennstrom: -20 °C bis 60 °C, Fördermitteltemperatur bei IMax: -20 °C bis 60 °C, Gesamteffizienz e: 31,8 %, Messkategorie: A, Effizienzkategorie: statisch, Effizienzgrad N: 40,3, VSD erforderlich: nein, Herstellungsjahr: siehe Typenschild, Herstellername / Amtliche Registriernummer / Niederlassungsort des Herstellers: Maico Elektroapparate-Fabrik GmbH / Registergericht Freiburg, HRB 601233 / Villingen-Schwenningen, PBEP / FördervolumenBEP / Pfs, BEP: 0,455 kW / 5720 m3/h / 91 Pa, nBEP: 950 1/min, spezifisches Verhältnis: ca. 1, Informationen zur Zerlegung und Entsorgung: siehe Montageanleitung, Informationen zu Einbau, Betrieb und Instandhaltung: siehe Montageanleitung, Verwendete Gegenstände bei der Effizienz-Messung, die nicht durch die Messkategorie beschrieben sind: -, SchallleistungspegelLWA7: 74 dB(A), Verschlussklappe: ohne