Maico Axialventilator DAS 100/4
Datenblatt Export
Ausführung | Entlüftung |
Schutzart | IP55 |
Typ | DAS 100/4 |
Fördermitteltemperatur [°C] | 50 °C |
Drehzahl | 1,470.000000 1/min |
Stromaufnahme (max.) | 14.8 A |
Gewicht [kg] | 63.0 |
Netzfrequenz | 50 Hz |
Nennweite | 1000 |
Nennleistung [W] | 7718 |
Temperatur (max.) [°C] | 50 °C |
Spannung/Frequenz | 400/50 V/Hz |
Wärmeklasse | F |
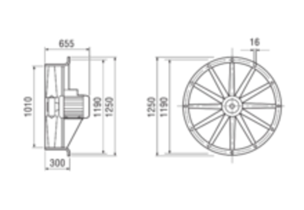
8- bis 10-blättrige Flügelräder aus Kunststoff. Dynamisch gewuchtet gemäß Gütestufe 6.3, DIN ISO 1940. Hohe Schutzart IP 55. Einfache Anbringung mittels Wandring. Schutzgitter auf der Saugseite, lackiert. Förderrichtung: Nur für Entlüftung (Rechtslauf). Motor: Nicht zur Förderung wasserdampfgesättigter Luft geeignet. Überlastungsschutz mit bauseitigem Motorschutzschalter. Drehzahlregelung mit Frequenzumrichter MFU. Wärmeklasse F. Elektrischer Anschluss: Im Klemmkasten auf Motor. Sicherheitshinweise: Für Ventilatoren mit Leistungsaufnahme > 4 kW muss zur Anlaufstrombegrenzung ein bauseitiger Stern-/Dreieckschalter verwendet werden. Der Ventilator darf nur in Betrieb genommen werden, wenn der Berührungsschutz des Laufrades gemäß DIN EN ISO 13857 gewährleistet ist. Nicht mit Transformator regelbar.Artikel: DAS 100/4, Ausführung: Stahlring, Fördervolumen: 69000 m3/h, FördervolumenNenn: 19500 m3/h / im opt. Wirkungsgrad, Druck pfs, Nenn: 892 Pa - im opt. Wirkungsgrad, Drehzahl nNenn: 1480 1/min - im opt. Wirkungsgrad, Drehzahl: 1470 1/min, Laufradtyp: axial, Drehzahlsteuerbar: ja, Reversierbarkeit: nein, Spannungsart: Drehstrom, Bemessungsspannung: 400 V, Netzfrequenz: 50 Hz, Nennleistung: 7718 W, INenn: 14,8 A / im opt. Wirkungsgrad, IMax: 17,5 A, Schutzart: IP 55, Wärmeklasse: F, Einbauort: Wand, Einbaulage: senkrecht, Material Gehäuse: Stahlblech, lackiert, Gewicht: 132 kg, Nennweite: 1000 mm, Breite: 1250 mm, Höhe: 1250 mm, Tiefe: 655 mm, A: 655 mm, B: 1010 mm, Fördermitteltemperatur bei Nennstrom: 50 °C, Fördermitteltemperatur bei IMax: -20 °C bis 50 °C, Gesamteffizienz e: 63 %, Messkategorie: C, Effizienzkategorie: statisch, Effizienzgrad N: 64, VSD erforderlich: nein, Herstellungsjahr: siehe Typenschild, Herstellername / Amtliche Registriernummer / Niederlassungsort des Herstellers: Maico Elektroapparate-Fabrik GmbH / Registergericht Freiburg, HRB 601233 / Villingen-Schwenningen, PBEP / FördervolumenBEP / Pfs, BEP: 7,718 kW / 19500 m3/h / 892 Pa, nBEP: 1480 1/min, spezifisches Verhältnis: ca. 1, Informationen zur Zerlegung und Entsorgung: siehe Montageanleitung, Informationen zu Einbau, Betrieb und Instandhaltung: siehe Montageanleitung, Verwendete Gegenstände bei der Effizienz-Messung, die nicht durch die Messkategorie beschrieben sind: -, IBEP: 14,8 A, SchallleistungspegelLWA7: 98 dB(A), Verschlussklappe: ohne
Unsere Zubehörempfehlung
8- bis 10-blättrige Flügelräder aus Kunststoff. Dynamisch gewuchtet gemäß Gütestufe 6.3, DIN ISO 1940. Hohe Schutzart IP 55. Einfache Anbringung mittels Wandring. Schutzgitter auf der Saugseite, lackiert. Förderrichtung: Nur für Entlüftung (Rechtslauf). Motor: Nicht zur Förderung wasserdampfgesättigter Luft geeignet. Überlastungsschutz mit bauseitigem Motorschutzschalter. Drehzahlregelung mit Frequenzumrichter MFU. Wärmeklasse F. Elektrischer Anschluss: Im Klemmkasten auf Motor. Sicherheitshinweise: Für Ventilatoren mit Leistungsaufnahme > 4 kW muss zur Anlaufstrombegrenzung ein bauseitiger Stern-/Dreieckschalter verwendet werden. Der Ventilator darf nur in Betrieb genommen werden, wenn der Berührungsschutz des Laufrades gemäß DIN EN ISO 13857 gewährleistet ist. Nicht mit Transformator regelbar.Artikel: DAS 100/4, Ausführung: Stahlring, Fördervolumen: 69000 m3/h, FördervolumenNenn: 19500 m3/h / im opt. Wirkungsgrad, Druck pfs, Nenn: 892 Pa - im opt. Wirkungsgrad, Drehzahl nNenn: 1480 1/min - im opt. Wirkungsgrad, Drehzahl: 1470 1/min, Laufradtyp: axial, Drehzahlsteuerbar: ja, Reversierbarkeit: nein, Spannungsart: Drehstrom, Bemessungsspannung: 400 V, Netzfrequenz: 50 Hz, Nennleistung: 7718 W, INenn: 14,8 A / im opt. Wirkungsgrad, IMax: 17,5 A, Schutzart: IP 55, Wärmeklasse: F, Einbauort: Wand, Einbaulage: senkrecht, Material Gehäuse: Stahlblech, lackiert, Gewicht: 132 kg, Nennweite: 1000 mm, Breite: 1250 mm, Höhe: 1250 mm, Tiefe: 655 mm, A: 655 mm, B: 1010 mm, Fördermitteltemperatur bei Nennstrom: 50 °C, Fördermitteltemperatur bei IMax: -20 °C bis 50 °C, Gesamteffizienz e: 63 %, Messkategorie: C, Effizienzkategorie: statisch, Effizienzgrad N: 64, VSD erforderlich: nein, Herstellungsjahr: siehe Typenschild, Herstellername / Amtliche Registriernummer / Niederlassungsort des Herstellers: Maico Elektroapparate-Fabrik GmbH / Registergericht Freiburg, HRB 601233 / Villingen-Schwenningen, PBEP / FördervolumenBEP / Pfs, BEP: 7,718 kW / 19500 m3/h / 892 Pa, nBEP: 1480 1/min, spezifisches Verhältnis: ca. 1, Informationen zur Zerlegung und Entsorgung: siehe Montageanleitung, Informationen zu Einbau, Betrieb und Instandhaltung: siehe Montageanleitung, Verwendete Gegenstände bei der Effizienz-Messung, die nicht durch die Messkategorie beschrieben sind: -, IBEP: 14,8 A, SchallleistungspegelLWA7: 98 dB(A), Verschlussklappe: ohne