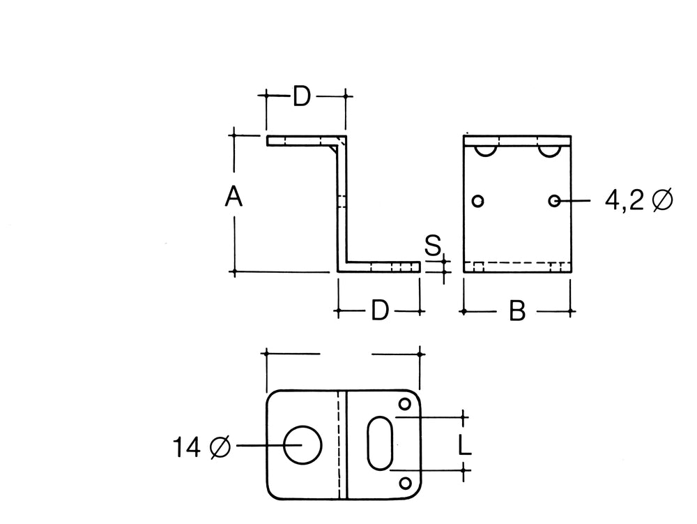
MEZ Aufhängeeleemnt f. Trapezdecken TRAVAU 821-S, m. Schwingungsdämpfer
Artikelnummer:
10052792
Ausprägungscode:
MEZ/TRAVAU/821-S
Für Preisinformationen bitte anmelden
oder registrieren.
Datenblatt Export
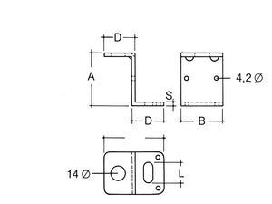
A [mm] | 105 MMT |
C | 95 MMT |
D | 40 MMT |
Typ | TRAVAU-821S |
B [mm] | 40 MMT |
S | 2,0 MMT |
Belastung (max.) | 1,5 A |
VPE | 50 |
Montageelement zur Befestigung von rechteckigen Luftleitsystemen, optimale Ausrichtung und Höhenjustierung über Gewindestangen, Stahl verzinkt.
MEZ-ELL Typ 30 ohne Dämmteil
Montageelement zur Befestigung von rechteckigen Luftleitsystemen unmittelbar unter der Decke, optimale Ausrichtung und Höhenjustierung über Gewindestangen, Stahl verzinkt.
MEZ-ELL 815, 816, 817, 818 u. 819
Für einfache zweckmäßige Kanalaufhängung direkt an Decken, Wänden, Montageschienen und Trägerkonstruktionen. Werkst.: Stahl, verzinkt.
MEZ-SWINGELL 816S, 817S u. 818S
Für geräusch- und schwingungshemmende Kanalaufhängung, direkt an Decken und Wänden oder mit Gewindestangen M8 + M10 montiert. MEZ-SWING Schwingungsdämpfer mit eingepresster U-Scheibe für die Auflage der Einstellmutter oder Montageschraube. Werkst.: Stahl verzinkt.
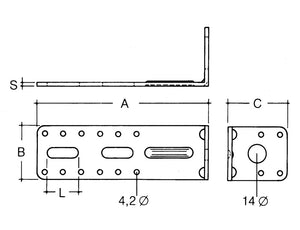
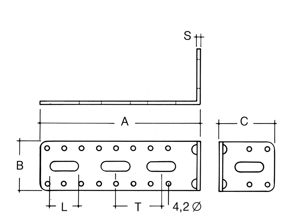
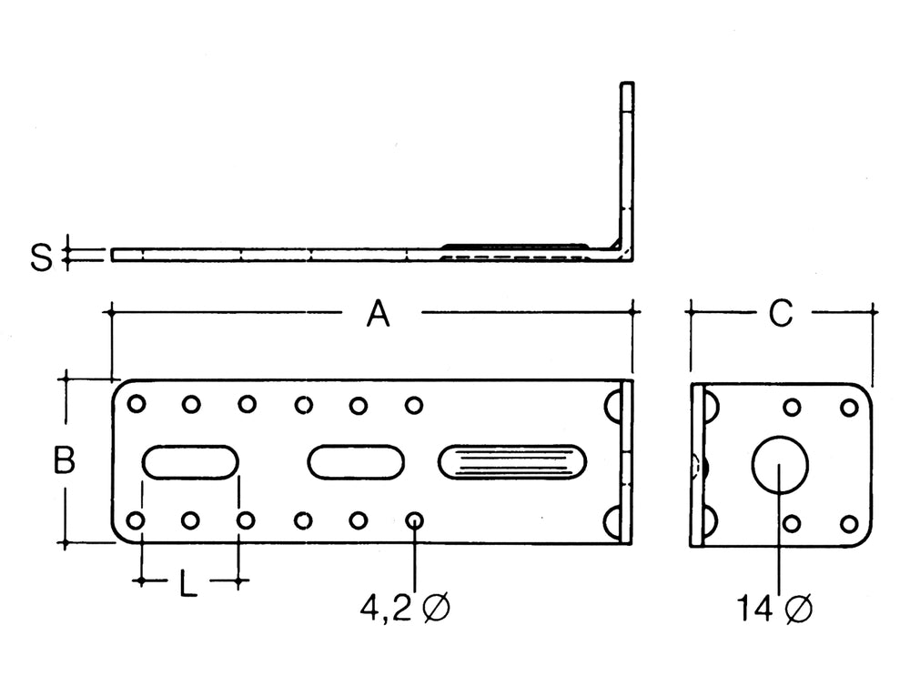
MEZ-TRAVAU 821S u. 822S, TRASAT 823S u. 824S
Universal-Aufhängeelement mit Schwingungsdämpfer MEZ-TRAVAU 821S und 822S für Trapezblechdecken-Systeme. MEZ-TRASAT 823S und 824S für Blechrohrleitungen. Sie können durch die ideale Sollbiegekante leicht an Trapezblechdecken-Systeme und Rohrleitungen angepasst werden. Für die Montage mit Gewindestange M8 und M10. Mit U-Scheibe für die geräusch- und schwingungshemmende Aufhängung. SWING aus PVC Härte 65 Shore. Werkst.: Stahl, verzinkt. Auf Anfrage auch in Edelstahl rostfrei lieferbar.
MEZ-ZETT Typ 30 ohne Dämmteil
Montageelement zur Befestigung von rechteckigen Luftleitsystemen, optimale Ausrichtung und Höhenjustierung über Gewindestangen, Stahl verzinkt.
MEZ-ELL Typ 30 ohne Dämmteil
Montageelement zur Befestigung von rechteckigen Luftleitsystemen unmittelbar unter der Decke, optimale Ausrichtung und Höhenjustierung über Gewindestangen, Stahl verzinkt.
MEZ-ELL 815, 816, 817, 818 u. 819
Für einfache zweckmäßige Kanalaufhängung direkt an Decken, Wänden, Montageschienen und Trägerkonstruktionen. Werkst.: Stahl, verzinkt.
MEZ-SWINGELL 816S, 817S u. 818S
Für geräusch- und schwingungshemmende Kanalaufhängung, direkt an Decken und Wänden oder mit Gewindestangen M8 + M10 montiert. MEZ-SWING Schwingungsdämpfer mit eingepresster U-Scheibe für die Auflage der Einstellmutter oder Montageschraube. Werkst.: Stahl verzinkt.
MEZ-TRAVAU 821S u. 822S, TRASAT 823S u. 824S
Universal-Aufhängeelement mit Schwingungsdämpfer MEZ-TRAVAU 821S und 822S für Trapezblechdecken-Systeme. MEZ-TRASAT 823S und 824S für Blechrohrleitungen. Sie können durch die ideale Sollbiegekante leicht an Trapezblechdecken-Systeme und Rohrleitungen angepasst werden. Für die Montage mit Gewindestange M8 und M10. Mit U-Scheibe für die geräusch- und schwingungshemmende Aufhängung. SWING aus PVC Härte 65 Shore. Werkst.: Stahl, verzinkt. Auf Anfrage auch in Edelstahl rostfrei lieferbar.
Montageelement zur Befestigung von rechteckigen Luftleitsystemen, optimale Ausrichtung und Höhenjustierung über Gewindestangen, Stahl verzinkt.
MEZ-ELL Typ 30 ohne Dämmteil
Montageelement zur Befestigung von rechteckigen Luftleitsystemen unmittelbar unter der Decke, optimale Ausrichtung und Höhenjustierung über Gewindestangen, Stahl verzinkt.
MEZ-ELL 815, 816, 817, 818 u. 819
Für einfache zweckmäßige Kanalaufhängung direkt an Decken, Wänden, Montageschienen und Trägerkonstruktionen. Werkst.: Stahl, verzinkt.
MEZ-SWINGELL 816S, 817S u. 818S
Für geräusch- und schwingungshemmende Kanalaufhängung, direkt an Decken und Wänden oder mit Gewindestangen M8 + M10 montiert. MEZ-SWING Schwingungsdämpfer mit eingepresster U-Scheibe für die Auflage der Einstellmutter oder Montageschraube. Werkst.: Stahl verzinkt.
MEZ-TRAVAU 821S u. 822S, TRASAT 823S u. 824S
Universal-Aufhängeelement mit Schwingungsdämpfer MEZ-TRAVAU 821S und 822S für Trapezblechdecken-Systeme. MEZ-TRASAT 823S und 824S für Blechrohrleitungen. Sie können durch die ideale Sollbiegekante leicht an Trapezblechdecken-Systeme und Rohrleitungen angepasst werden. Für die Montage mit Gewindestange M8 und M10. Mit U-Scheibe für die geräusch- und schwingungshemmende Aufhängung. SWING aus PVC Härte 65 Shore. Werkst.: Stahl, verzinkt. Auf Anfrage auch in Edelstahl rostfrei lieferbar.