S&P Axialventilator HCFB/6-630/H V5 mit quadratischer Wandplatte, 230V

S&P Axialventilator HCFB/6-630/H V5 mit quadratischer Wandplatte, 230V
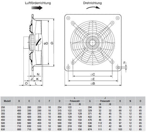
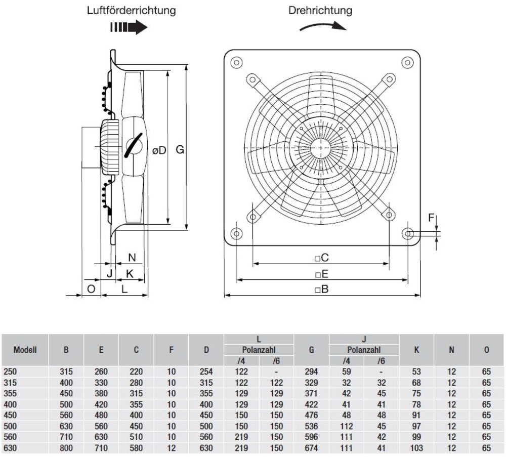
Axial-Wandventilator HCFB/6-630/H
-Quadratische Wandplatte aus Stahlblech
mit angeformter Einströmdüse
-Berührungsschutzgitter nach EN 60335-1
und EN 60335-2-80
-Epoxid-Polyester-Beschichtung
-Flügel aus thermoplastischem,
glasfaserverstärktem Material
-Statisch und dynamisch ausgewuchtet
nach ISO 1940
-Asynchron Käfigläufermotor aus
Aluminiumdruckguss, 6-polig
-Schutzart IP 65
-Motorbemessung Dauerbetrieb S1
-Wärmeklasse F
-Geschlossene Kugellager - wartungsfrei
-Mit Thermokontakten ausgestattet, die
Anschlüsse sind zum Klemmenbrett
geführt
-Allpolig wirksamer Motorschutz gemäß
EN 60335-2-80 in Verbindung mit einem
Motorschutzschalter MSE
-Transformatorisch oder elektronisch
drehzahlsteuerbar
Technische Daten:
Volumenstrom: 11.000 m3/h
(freiblasend)
Nennspannung: 1ph. 230 V/50Hz
Drehzahl: 915 1/min
Max. Leistungsaufnahme: 469 W
Motorstrom: 2,8 A
Max. Förderm. Temp. -40/+70 GradC
bei Drehzahlregelung -40/+50 GradC
Schallleistungspegel LWA: 78 dB(A)
Gewicht: 25,0 kg
Angaben zur Energieeffizienz gemäß
ErP-Richtlinie:
Messkategorie (MK) A
Effizienzkategorie (EK) statisch
Drehzahlregelung (DR) nicht erforderlich
Spezifisches Verhältnis (r) 1
Effizienzgrad (N) 41,0
Betriebsdaten am Effizienzoptimum:
Wirkungsgrad (eta) 32,7 Prozent
Elektrische Leistung (Pe) 0,469 KW
Statischer Ventilatordruck 76 Pa
Volumenstrom 7.230 m3/h
Drehzahl 899 1/min
Fabrikat: S&P Deutschland GmbH
Typ: HCFB/6-630/H V5
Artikel-Nr.: 5602072100