Startseite S&P Dachventilator CRHB-250 N ECOWATT horizontal, EC
1 von 2

S&P Dachventilator CRHB-250 N ECOWATT horizontal, EC

Artikelnummer: 11623776
Ausprägungscode: SP/CRHB-250/N/ECOWATT
Für Preisinformationen bitte anmelden oder registrieren.
Produkt speichern
Loading locations...
Beschreibung
Spezifikationen

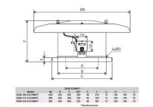
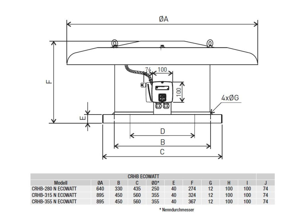
Radial-Dachventilator
CRHB-250 N ECOWATT
-Horizontal ausblasend
-EC-Technologie
-Revisionsschalter werkseitig montiert
und verdrahtet
-Quadratische Grundplatte aus
Stahlblech, verzinkt mit angeformter
Einströmdüse
-Haube aus Aluminium, seewasserbeständig
-Vogelschutzgitter aus Stahldraht,
verzinkt
-Radiallaufrad mit rückwärts gekrümmten
Schaufeln aus Stahlblech, verzinkt
-Statisch und dynamisch ausgewuchtet
nach ISO 1940
-Elektronisch kommutierter Gleichstrom-
motor (EC-Technologie)
-Schutzart IP 44
-Wärmeklasse B
-Motorbemessung Dauerbetrieb S1
-Geschlossene Kugellager - wartungsfrei
-100Prozent drehzahlregelbar
-Integriertes Drehzahlpotentiometer
(im Anschlusskasten)
-oder Signaleingang 0-10V
-Ausgang 10V
Technische Daten:
Volumenstrom: 1.380 m3/h
(freiblasend)
Nennspannung: 1ph. 230 V 50/60 Hz
Max. Drehzahl: 2.640 1/min
Max. Leistungsaufnahme: 260 W
Max. Motorstrom: 1,4 A
Schalldruckpegel LPA (4m): 47 dB(A)
(saugseitig)
Schalldruckpegel LPA (4m): 53 dB(A)
(druckseitig)
Gewicht: 10,0 kg
Fabrikat: S&P Deutschland GmbH
Typ: CRHB-250 N ECOWATT
Artikel-Nr.: 5136004100