Startseite S&P Dachventilator CRHB-315 N ECOWATT mit EC-Motor, horizontal
1 von 2

S&P Dachventilator CRHB-315 N ECOWATT mit EC-Motor, horizontal

Artikelnummer: 11389691
Ausprägungscode: SP/CRHB-315/N/ECOWATT
Für Preisinformationen bitte anmelden oder registrieren.
Produkt speichern
Loading locations...
Beschreibung
Spezifikationen

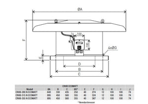
Radial-Dachventilator
CRHB-315 N ECOWATT
-Horizontal ausblasend
-EC-Technologie
-Revisionsschalter werkseitig montiert
und verdrahtet
-Quadratische Grundplatte aus
Stahlblech, verzinkt mit angeformter
Einströmdüse
-Haube aus Aluminium, seewasserbeständig
-Vogelschutzgitter aus Stahldraht,
verzinkt
-Radiallaufrad mit rückwärts gekrümmten
Schaufeln aus Stahlblech, verzinkt
-Statisch und dynamisch ausgewuchtet
nach ISO 1940
-Elektronisch kommutierter Gleichstrom-
motor (EC-Technologie)
-Schutzart IP 44
-Wärmeklasse B
-Motorbemessung Dauerbetrieb S1
-Geschlossene Kugellager - wartungsfrei
-100Prozent drehzahlregelbar
-Integriertes Drehzahlpotentiometer
(im Anschlusskasten)
-oder Signaleingang 0-10V
-Ausgang 10V
Technische Daten:
Volumenstrom: 2.812 m3/h
(freiblasend)
Nennspannung: 1ph. 230 V/50Hz
Max. Drehzahl: 1.700 1/min
Max. Leistungsaufnahme: 276 W
Max. Motorstrom: 0,80 A
Schalldruckpegel LPA (4m): 49 dB(A)
(saugseitig)
Schalldruckpegel LPA (4m): 52 dB(A)
(druckseitig)
Gewicht: 22,0 kg
Fabrikat: S&P Deutschland GmbH
Typ: CRHB-315 N ECOWATT
Artikel-Nr.: 5136916200