Startseite S&P Umluftmischkammer MIBL 6000 0-10V SR mit Federrücklauf
1 von 2

S&P Umluftmischkammer MIBL 6000 0-10V SR mit Federrücklauf

Artikelnummer: 11298772
Ausprägungscode: SP/MIBL/6000/0-10V/SR
Für Preisinformationen bitte anmelden oder registrieren.
Produkt speichern
Loading locations...
Beschreibung
Spezifikationen

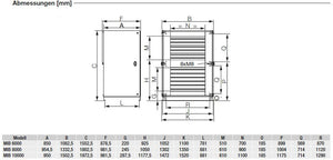
Umluftmischkammer
MIBL 6000 0-10V SR
Umluftkammer zum direkten Anbau an
die RHE Geräte mit seitlichen
Lufftanschlüssen HDR (Zuluft rechts).
Regelung modulierend über CO2 Gehalt
der Abuft, CO2 Fühler in der Mischkammer
vormontiert.
Modulierender Stellmotor Federrücklauf.
-Selbsttragende Konstruktion,
doppelwandig mit 50 mm nicht
brennbarer, schall- und wärmedämmender
Mineralwollisolierung
(40 kg/m3/Wärmeleitzahl = 0,037 W/m K)
-Außenbeschichtung nach RAL7024, mit
Korrosionswiderstand (Klasse RC3)
und UV-Strahlenbeständigkeit
(Klasse RUV3), gemäß EN 10169
-Innenwände aus verzinktem Stahlblech
-Einfacher Zugang zu allen Komponenten
durch große Revisionstüren
-Außenaufstellung möglich
-Auf Montageschienen
Horizontale Anschlüsse HD:
-Rund NW 315 bis NW 500,
ab Baugröße 6000 Rechteckkanal
-Rohranschlussstutzen mit EPDM-Dichtung
-Ausführung links oder rechts, passend
zum RHE VDI 6022
Die Kompaktgeräte der Serie RHE werden
gemäß den Vorgaben der deutschen
Lufthygienenorm VDI 6022 gefertigt.
Alle Gerätebereiche sind für
Wartungsarbeiten gut zugänglich und
einfach zu reinigen.
Alle Materialien im Luftstrom wurden
sorgfältig ausgewählt,damit eine
Beeinträchtigung der Luftqualität
ausgeschlossen ist.
Fabrikat: S&P Deutschland GmbH
Typ: MIBL 6000 0-10V SR
Artikel-Nr.: 5407048600